Bluescope Steel Ammonia Still Redesign and Metric Conversion - Port Kembla Steel Works

Introduction

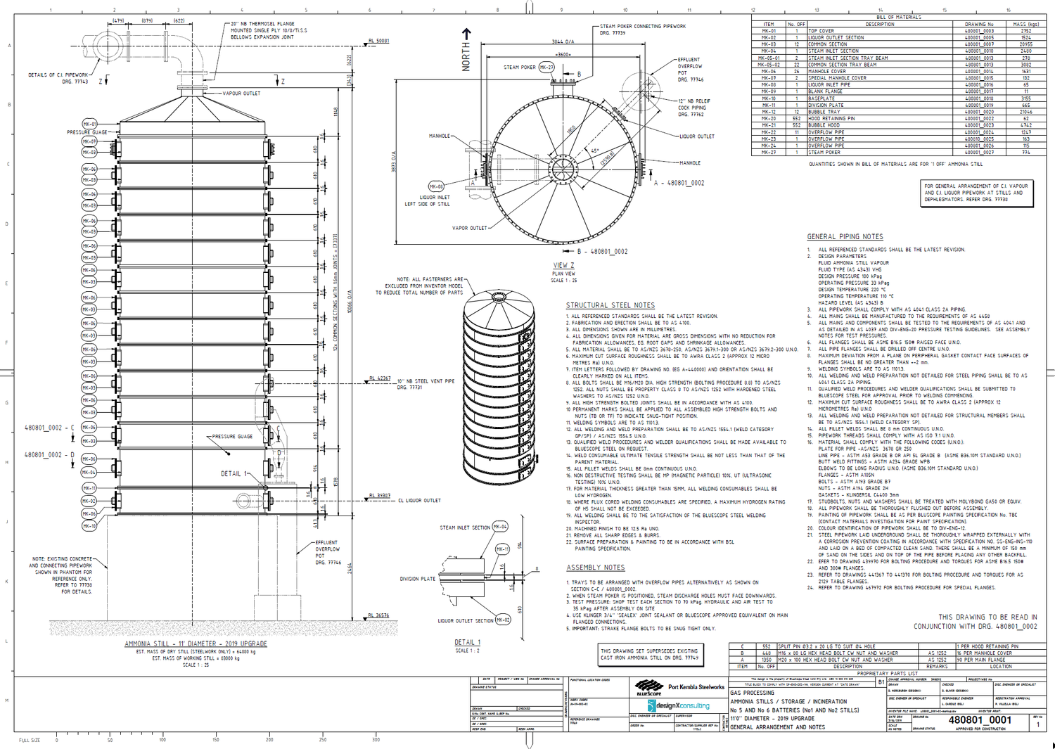
DesignX Consulting was commissioned by BlueScope Steel to undertake a comprehensive redesign project for an existing ammonia still. This project involved converting the original imperial measurements to metric, replacing cast iron components with structural steel, and providing a full suite of engineering drawings for fabrication.

 

3D model view of Ammonia Still Assembly


Project Scope

  • Documentation Review: Initial review of all existing drawings, both general arrangement and detailed, to understand the current design fully.

    3D Modeling: Creation of a detailed 3D model of the existing ammonia still to serve as the foundation for redesign and modifications.

  • Unit Conversion: Conversion of all dimensions and specifications from imperial to metric system to align with modern standards and ease of manufacturing.

  • Material Conversion: Redesign of components originally made from cast iron to be constructed from structural steel, enhancing durability and ease of fabrication.

  • Client Collaboration: The 3D model was issued to BlueScope Steel for review, ensuring that all client specifications and requirements were met. Feedback was incorporated to finalize the model.

  • Engineering Drawings: Development of a complete fabrication drawing package, which included: General arrangement drawings, Detailed assembly drawings and Individual part and weldment drawings.


3D sectional model view of Ammonia Still Assembly

Conclusion

This project not only modernized the ammonia still design for BlueScope Steel but also improved its structural integrity by transitioning to structural steel components. The meticulous conversion process and detailed documentation provided by DesignX Consulting ensure that the new ammonia still meets current engineering standards, is easier to fabricate, and integrates seamlessly into BlueScope's coke making operations. This redesign enhances operational efficiency and aligns with global metric standards, facilitating easier maintenance and potential future modifications.

Learn more about us
 

Previous
Previous

Bluescope Steel Coil Field Expansion Project - Springhill Works

Next
Next

Bluescope Steel Recoiler Dummy Mandrel - Coupled Pickle Cold Mill (CPCM) Springhill Works